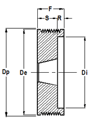
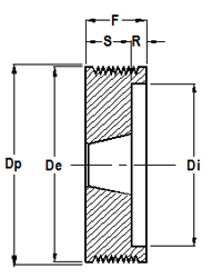
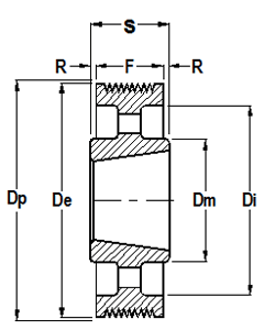
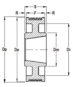
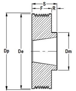
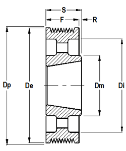
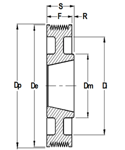
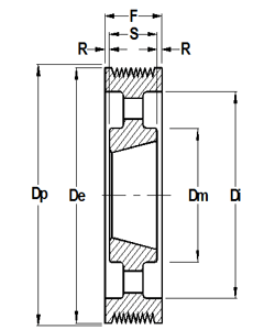
UNI / UNI-DRIVE TAPER / QD / SPLIT BUSHING POLY-RIBS PULLEY
UNI / UNI-DRIVE TAPER / QD / SPLIT BUSHING POLY-RIBS PULLEY
Multi-Rib belts, like the Poly-Vee and Multi-Vee, provide superb drive by more frictional contact. Compared with conventional belts of the same width, Multi-Rib belts optimize the contact area, giving you increased power transfer. A thin cross section profile allows for use with smaller pulleys than standard V-belts.
Characteristics
- Large speed ratios
- High power transmission
- Minimum slip
- Largely oil and temperature resistant
- Vibration free and quiet
- Extraordinarily resilient
Extensive standard range (see range list): Special pulleys on request
please contact our Applications Engineering Department for individual drive solutions.
Available Standard stocking Range
Special pulleys diameter and number of ribs on request
Profile: PJ
Diameter: 20 ~ 315mm
Number of Ribs: 3, 4, 5, 6, 8, 12, 16, 20.
Profile: PK
Diameter: 20 ~ 315mm
Number of Ribs: 7, 16, 23, 31.
Profile: PL
Diameter: 80 ~ 315mm
Number of Ribs: 5, 6, 8, 10, 12, 16, 20, 23.
Profile: PM
Diameter: 180 ~ 710mm
Number of Ribs: 6, 10, 16, 20, 8, 12, 16, 20.
















